|
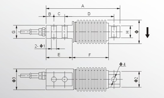
量程Capacity |
尺寸Size(mm) |
||||||||||||
|
kg |
A |
B |
C |
D |
E |
F |
G |
H |
Φ |
Φ1 |
Φ2 |
Φ3 |
Φ4 |
|
100~200 |
123.1 |
13.0 |
18.0 |
82.0 |
45.0 |
59.0 |
22.2 |
20.0 |
45.0 |
8.5 |
26.0 |
35.0 |
8.5 |
|
300~1000 |
210.2 |
15.0 |
40.2 |
133.0 |
93.0 |
64.0 |
34.0 |
25.0 |
60.0 |
13.0 |
36.0 |
50.0 |
14.0 |

在線訂購(gòu)