|
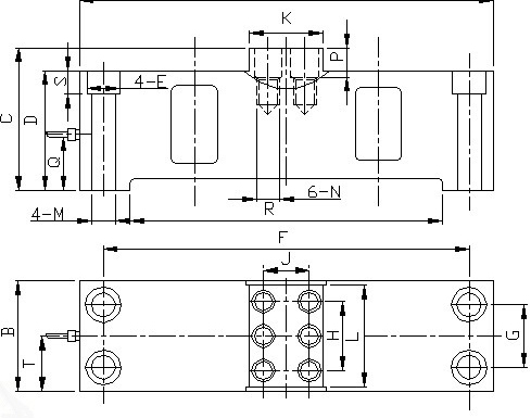
量程 |
尺寸mm |
|||||||||||||||||
|
t |
A |
B |
C |
D |
E |
F |
G |
H |
J |
K |
L |
M |
N |
P |
Q |
R |
S |
T |
|
50 |
450 |
120 |
130 |
105 |
Φ38 |
398 |
68 |
75 |
40 |
80 |
110 |
Φ26 |
M20深30 |
32 |
45 |
340 |
25.5 |
57 |
|
100 |
500 |
140 |
143 |
118 |
Φ44 |
444 |
80 |
90 |
44 |
90 |
130 |
Φ30 |
M24深36 |
38 |
54 |
370 |
28.5 |
62 |
|
150 |
560 |
160 |
158 |
133 |
Φ48 |
500 |
94 |
102 |
44 |
90 |
150 |
Φ33 |
M24深36 |
38 |
66 |
410 |
32 |
69 |
|
200 |
620 |
180 |
175 |
150 |
Φ48 |
560 |
114 |
110 |
44 |
90 |
160 |
Φ33 |
M24深40 |
40 |
75 |
450 |
32 |
71 |

在線訂購